



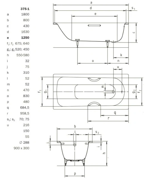
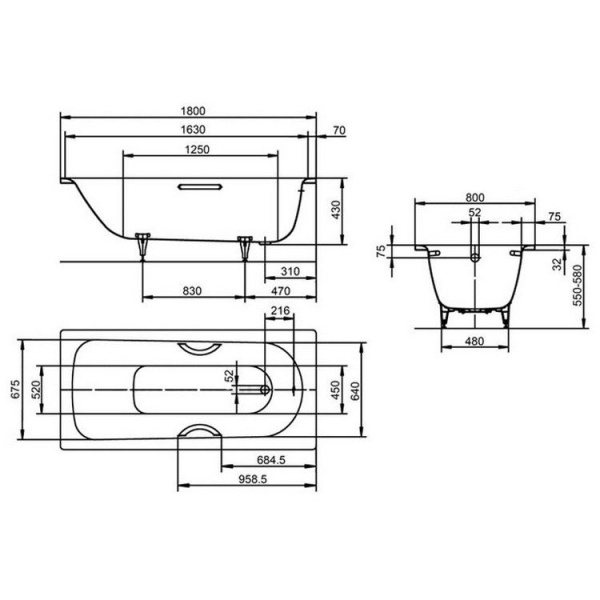
Ванна стальная KALDEWEI ADVANTAGE SANIFORM PLUS 375-1 – широкая и глубокая. У неё классическая прямоугольная форма с округлым дном. Задняя стенка покатая. Чаша стальная, с белой глянцевой поверхностью. Длина 180 см позволяет с комфортом разместиться любому человеку. Ручки и другие опции не предусмотрены. Можно купить чашу с антигрязевым, водоотталкивающим, противоскользящим покрытием или без специальных покрытий. Дополнительно покупают ножки, слив-перелив и комплект шумоизоляции.
Дополнительные характеристики:



Скопировано
Используйте номер купона при оформлении заказа и получите дополнительную скидку на товары «Промо»