







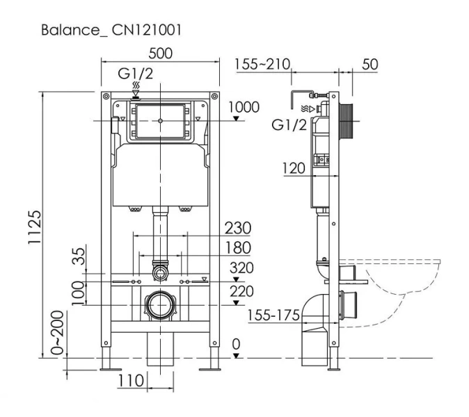
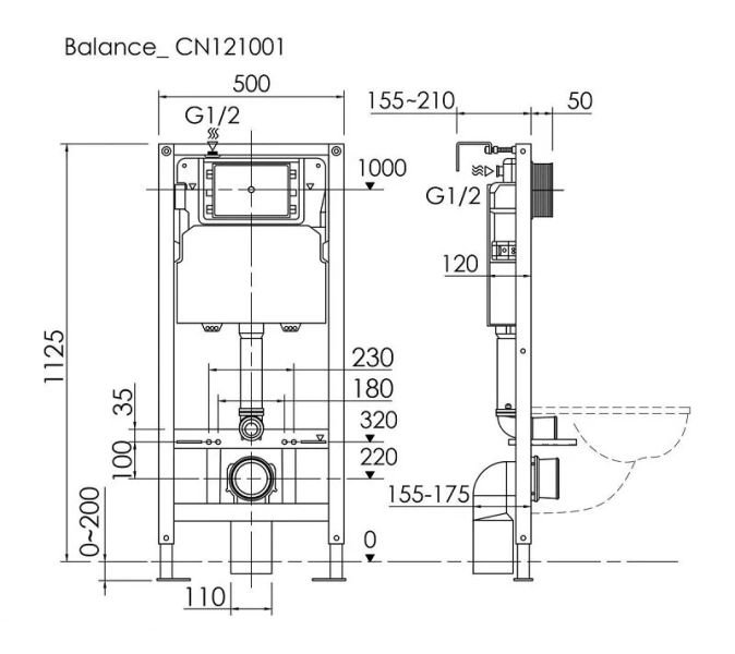
Унитаз с инсталляцией Ceramica Nova Forma CN3009_121002CH — практичное и стильное решение для ванной. Безободковый фаянсовый унитаз с системой антивсплеск обеспечивает чистоту и комфорт. Душевой слив и скрытый бачок с механической хромированной кнопкой поддерживают два режима смыва (3/6 л) для экономии воды. Сиденье из дюропласта с микролифтом и функцией быстрого снятия. В комплекте — звукоизолирующая прокладка.
Дополнительные характеристики:







Скопировано
Используйте номер купона при оформлении заказа и получите дополнительную скидку на товары «Промо»