



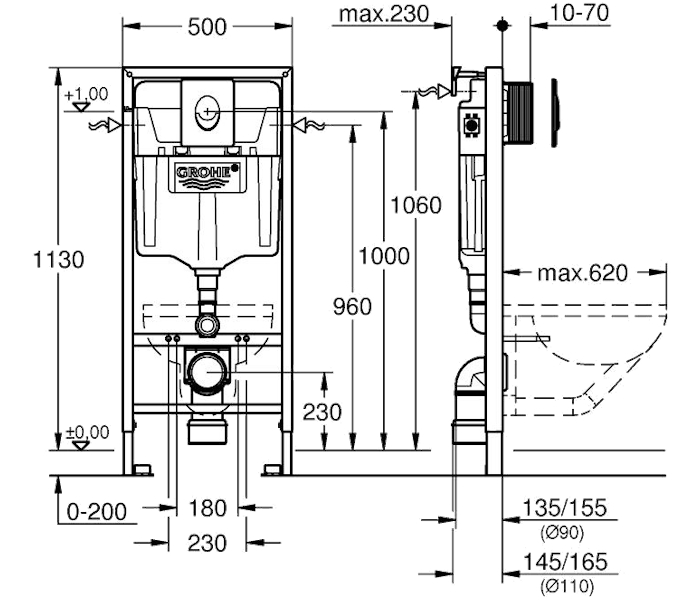
Инсталляция для унитаза Grohe Rapid SL 38722001 с кнопкой альпин-белый выполнена из прочного пластика и стали. Смывной бачок объемом 9 л использует технологию Grohe EcoJoy для экономии воды, предлагая два режима смыва: 3 и 6 л. Подвод воды может быть как сбоку, так и сзади бачка. Диаметр слива — 9 см, переходника для слива — 11 см. Инсталляция выдерживает нагрузку до 400 кг. Межосевое расстояние под крепеж — 18/23 см. Комплект включает бачок, кнопку и крепления.
Дополнительные характеристики:



Скопировано
Используйте номер купона при оформлении заказа и получите дополнительную скидку на товары «Промо»