

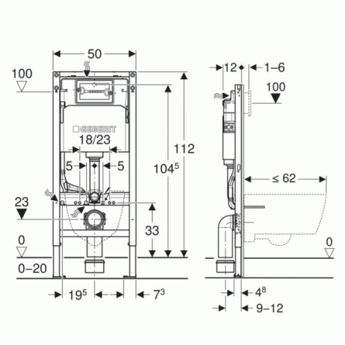
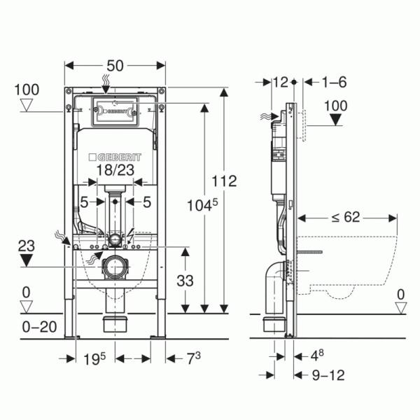
Инсталляция для унитаза Geberit Duofix 458.103.00.2 со смывным бачком сочетает надежность и удобство монтажа. Прочная стальная рама выдерживает нагрузку до 400 кг. Смывной бачок объемом 3/6 л оснащен подводом воды сверху или сзади. Межосевое расстояние под крепежные шпильки — 18/23 см, возможна регулировка высоты до 20 см. Диаметр слива — 9 см, переходника — 11 см. Клавиша смыва приобретается отдельно. Подходит для бытового использования и установки подвесных унитазов.
Дополнительные характеристики:

Скопировано
Используйте номер купона при оформлении заказа и получите дополнительную скидку на товары «Промо»