


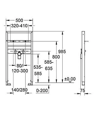
Инсталляция для раковины Grohe Rapid SL 38541000 устанавливается за стеной или перегородкой, поставляется готовой к выполнению облицовки. Основу конструкции составляет стальная рама, окрашенная в синий цвет. Высоту можно легко регулировать. Детали из крепежного комплекта произведены из качественных материалов, поэтому выносливые, долговечные.
Rapid SL Инсталляция для раковины
для смесителей на одно отверстие
монтажная высота 1,00 м
для монтажа перед стеной или стеной перегородкой
самонесущая стальная рама с
порошковым напылением
подготовлена для облицовки
фиксированные подключения
для одиночного или рядного монтажа
быстрая регулировка по высоте
крепежный материал
болты-держатели для раковины M10, с
креплением для керамики
расстояние между болтами изменяется
смывное колено, выдерживающее
высокую температуру, DN 50
уплотнение Ø 32 мм
2 звукоизоляционных подключения
смесителя DN 15
без принадлежностей для монтажа
перед стеной


Скопировано
Используйте номер купона при оформлении заказа и получите дополнительную скидку на товары «Промо»