

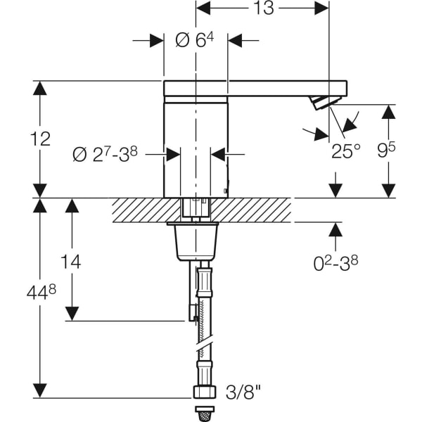
Применение
• Для подвода холодной и горячей воды
• Для подачи водопроводной / питьевой воды
• Для общественных и полуобщественных зданий
• Для установки на умывальник или столешницу
Описание
• Регулировка температуры посредством рычага смесителя
• Невозможна настройка подачи только горячей или только
холодной воды
• Возможность ограничения количества горячей воды
• Инфракрасный датчик присутствия пользователя
• Автоматическое срабатывание
• Самонастраивающийся датчик
• Антивандальная конструкция
• Функции настраиваются и запрашиваются при помощи пульта
сервисного обслуживания
• Смывную клавишу можно дезактивировать посредством Clean
Handy
• Контроль объемного расхода посредством аэратора
• Возможность установки режима экономии воды
• Регулируемая периодическая подача воды
• Встроенный обратный клапан
• Электропитание от батареи
• Заряда батареи достаточно для активации потока воды
200 000 раз
• Предупреждение о низком уровне заряда батареи
• Возможность установки режима экономии энергии
Объем поставки
• 2 металлизированные подводки R 3/8"
• 2 корзинчатых фильтра
• Батарея 6 В
• Ключ для аэратора
• Крепежные элементы

Скопировано
Используйте номер купона при оформлении заказа и получите дополнительную скидку на товары «Промо»