

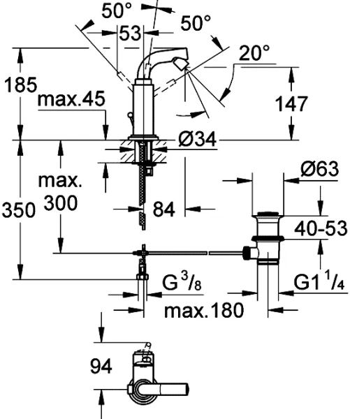
Смеситель для биде Grohe Atrio 32134001 устанавливается на бортик под одно отверстие. В его дизайне использованы цилиндрические формы. Управление потоками воды выполняется одной ручкой. Имеется ограничитель поворота излива. Излив оснащен аэратором. В комплект входит сливной гарнитур и гибкая подводка. Поверхность хромированная, блестящая.
Atrio
Смеситель однорычажный для биде DN 15 M-Size
монтаж на одно отверстие
GROHE SilkMove® керамический картридж 28 мм
GROHE StarLight® хромированная поверхность
трубкообразный 7° излив с аэратором с шаровым
шарниром
ограничитель поворота излива
сливной гарнитур 1 1/4"
гибкая подводка
система быстрого монтажа

Скопировано
Используйте номер купона при оформлении заказа и получите дополнительную скидку на товары «Промо»