



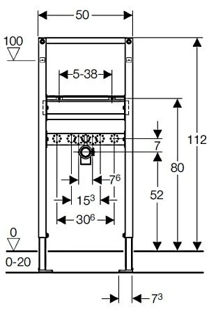
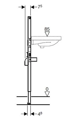
Инсталляция для раковины Geberit Duofix 111.434.00.1 1120 мм предназначена для скрытого монтажа подвесного умывальника за гипсокартонной перегородкой или в капитальной стене. Система включает металлическую раму с порошковым окрашиванием, вертикальный фановый отвод и крепежи. Чтобы установить смеситель, нужно приобрести и поставить дополнительно фитинги для подведения воды. Также для подключения необходим внешний сифон. Монтажный элемент регулируется по высоте, планки с патрубками также можно установить на нужной высоте.
Дополнительные характеристики:


Скопировано
Используйте номер купона при оформлении заказа и получите дополнительную скидку на товары «Промо»