

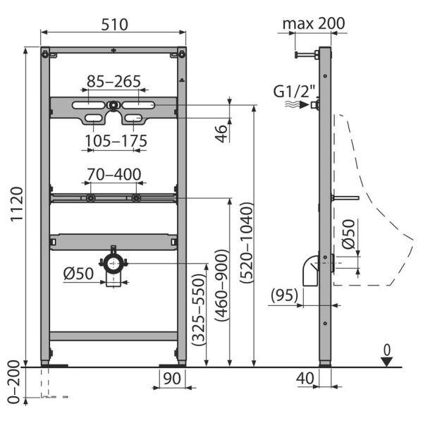
Инсталляция для писсуара Alcaplast A107/1120 – удобное и надежное решение для сантехнических систем. Высота установки – 112 см, глубина – 20 см. Регулируемые ножки (0–200 мм). Диаметр слива и переходника – 5 см. Металлический каркас с порошковым покрытием обеспечивает долговечность. Подходит для подключения устройства смыва ATS001. В комплекте монтажный набор, стоковое колено HT50 с прокладкой и резьбовое соединение G1/2″. Простая установка и функциональность.
Дополнительные характеристики:

Скопировано
Используйте номер купона при оформлении заказа и получите дополнительную скидку на товары «Промо»