







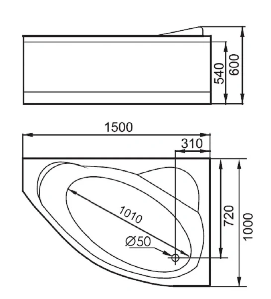
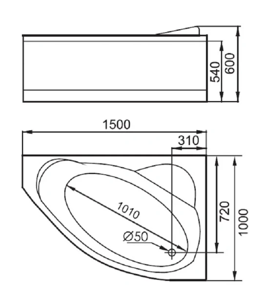
Акриловая ванна правосторонняя пристенная Gemy — стильное и функциональное решение для вашей ванной комнаты. Белая полукруглая ванна размером 150x100x60 см выполнена из качественного акрила, оснащена гидромассажем и смесителем на борту. Современный дизайн в стиле hi-tech от бренда Gemy. Гарантия — 3 года.
Характеристики:






Скопировано
Используйте номер купона при оформлении заказа и получите дополнительную скидку на товары «Промо»